Home
Practitioners
Morphology
All Morphological Groups
Centric
Araphid
Eunotioid
Symmetric Biraphid
Monoraphid
Asymmetric Biraphid
Epithemioid
Nitzschioid
Surirelloid
Genera
Species
Glossary
About
About
News
Projects
Mission
Board of Directors
Editorial Review Board
Taxon Contributors
Contact Us
What are diatoms?
Donate
Search
×
Diatoms of North America
Practitioners
Morphology
Centric
Araphid
Eunotioid
Symmetric Biraphid
Monoraphid
Asymmetric Biraphid
Epithemioid
Nitzschioid
Surirelloid
Genera
Species
Glossary
About
News
Projects
Mission
Board of Directors
Editorial Review Board
Taxon Contributors
Contact Us
What are diatoms?
Donate
Search taxa, citations, glossary, contributors, and images
Submit
Close search
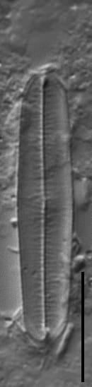
Latelolongiud_NotType_3.jpg
Species
Fallacia latelongitudinalis
Slide Number
ANSP GC44258a
Site ID
ANSP GCM3520(6B)
Name
Savannah River, st. 6B, South Carolina/Georgia
Scalebar = 10 µm