Home
Practitioners
Morphology
All Morphological Groups
Centric
Araphid
Eunotioid
Symmetric Biraphid
Monoraphid
Asymmetric Biraphid
Epithemioid
Nitzschioid
Surirelloid
Genera
Species
Glossary
About
About
News
Projects
Mission
Board of Directors
Editorial Review Board
Taxon Contributors
Contact Us
What are diatoms?
Donate
Search
×
Diatoms of North America
Practitioners
Morphology
Centric
Araphid
Eunotioid
Symmetric Biraphid
Monoraphid
Asymmetric Biraphid
Epithemioid
Nitzschioid
Surirelloid
Genera
Species
Glossary
About
News
Projects
Mission
Board of Directors
Editorial Review Board
Taxon Contributors
Contact Us
What are diatoms?
Donate
Search taxa, citations, glossary, contributors, and images
Submit
Close search
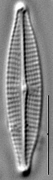
ANSP25741-9_cropped_S.jpg
Species
Navicula canalis
Type Image
Holotype
Slide Number
AGC25741
Name
Rio Grande do Sul, near Lagoa dos Quadros, Brazil
Caption
Holotype specimen 2 valve 2
Scalebar = 10 µm