Home
Practitioners
Morphology
All Morphological Groups
Centric
Araphid
Eunotioid
Symmetric Biraphid
Monoraphid
Asymmetric Biraphid
Epithemioid
Nitzschioid
Surirelloid
Genera
Species
Glossary
About
About
News
Projects
Mission
Board of Directors
Editorial Review Board
Taxon Contributors
Contact Us
What are diatoms?
Donate
Search
×
Diatoms of North America
Practitioners
Morphology
Centric
Araphid
Eunotioid
Symmetric Biraphid
Monoraphid
Asymmetric Biraphid
Epithemioid
Nitzschioid
Surirelloid
Genera
Species
Glossary
About
News
Projects
Mission
Board of Directors
Editorial Review Board
Taxon Contributors
Contact Us
What are diatoms?
Donate
Search taxa, citations, glossary, contributors, and images
Submit
Close search
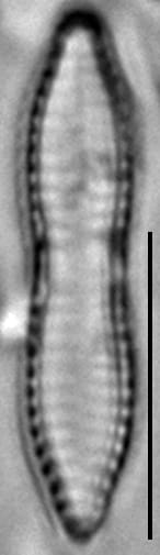
FRmesolepta-7.jpg
Species
Fragilaria mesolepta
Slide Number
Iowa Lakeside Lab, ILL2015-016
Site ID
Iowa Lakeside Lab, ILL2015-016
Name
Beck’s Canal, West Lake Okoboji, Dickinson County, Iowa
Coordinates
43.36772, -95.16863
Notes
Plankton
Scalebar = 10 µm