Home
Practitioners
Morphology
All Morphological Groups
Centric
Araphid
Eunotioid
Symmetric Biraphid
Monoraphid
Asymmetric Biraphid
Epithemioid
Nitzschioid
Surirelloid
Genera
Species
Glossary
About
About
News
Projects
Mission
Board of Directors
Editorial Review Board
Taxon Contributors
Contact Us
What are diatoms?
Donate
Search
×
Diatoms of North America
Practitioners
Morphology
Centric
Araphid
Eunotioid
Symmetric Biraphid
Monoraphid
Asymmetric Biraphid
Epithemioid
Nitzschioid
Surirelloid
Genera
Species
Glossary
About
News
Projects
Mission
Board of Directors
Editorial Review Board
Taxon Contributors
Contact Us
What are diatoms?
Donate
Search taxa, citations, glossary, contributors, and images
Submit
Close search
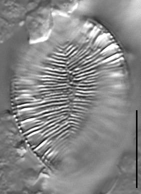
GC100589a_iowensis-0023.jpg
Species
Surirella iowensis
Slide Number
ANSP GC100589a
Site ID
GS007143
Name
Crow Creek at Mouth at Kuner, Colorado
Coordinates
40.3919, -104.49
Scalebar = 10 µm