• Category
  • Length Range
    22-40 µm
  • Width Range
    2.7-3.8 µm
  • Striae in 10 µm
    24-28

Identification

Description

Tursiocola alata grows exclusively on the skin of West Indian manatees.

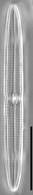
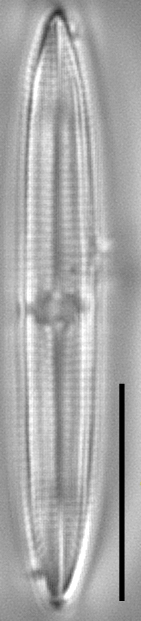
Living cells are motile and apochlorotic with few to numerous highly refractive oil droplets. The shape of the frustule outline in girdle view is a truncated oval, with convex edges formed by large marginal ridges at the junction of the valve face and mantle, and rectangular edges with rounded corners formed by the cincture and the valve apices. In larger specimens, the marginal ridges are slightly concave in the middle in girdle view. The valve mantle is wider at the apices relative to the valve middle. The copulae are porose with noticeably larger and less dense pores than the valve areolae. The valves are isopolar and narrowly linear-lanceolate with acute apices. The raphe is straight. The proximal raphe ends are straight, slightly expanded, and terminate just within a small circular central area. The central area is intersected by a narrow, linear stauros that extends to the edge of the valve face. The transapical striae are slightly convergent in the middle of valve becoming parallel toward the apices. Along the edges of the valve face are greatly elevated marginal ridges. Pseudosepta are evident in girdle view and extend over approx. 1/5 of the valve length from each apex and then continue as narrow strips along the valve margin before connecting with butterfly-like structure.

SEM: Externally, the transapical striae are composed of circular areolae near the raphe and transapically elongated areolae on the mantle. The areolae appear similar in outline to overlapping pin holes, areola density approx. 30 in 10 µm. The striae on the mantle are shortened at the valve middle adjacent to the central area and stauros. Two large hyaline marginal ridges (width approx. 200 nm) extend perpendicularly away from the valve face, one on each side of valve near the edge of the valve face. The maximum height of the marginal ridge is approximately the same as the mantle depth. The marginal ridges decrease in height and terminate a short distance from the apices forming the transition between the steeply sloping and relatively deep mantle and the flat valve face. Numerous small siliceous granulae (Ross and Sims 1972) are present on the mantle margin and between terminal areolae. Fastigii are present at the valve apices extending upward toward the valve face and reaching approximately half of the mantle height. The raphe lies within a narrow axial area. The distal raphe ends are deflected toward the secondary side of the valve and then apparently bifurcate around the fastigium. The distal raphe end fissures extend onto the mantle and terminate near the valve margin. Internally, pseudosepta extend from the apices as siliceous plates concealing the structure of the internal distal raphe ends and then continue as thin strips along the valve margin before widening and connecting with the butterfly-like structure. Internally, the raphe fissure is slightly expanded in the central area and positioned along the center of a thick raphe rib. Two C-shaped knobs are on the raphe rib on opposing sides of the raphe at the valve center. The epicingulum is composed of an open valvocopula with an advalvar row of larger transapically elongated pores and a second abvalvar row of smaller ovoid pores, pore density is 20 21 in 10 µm. The valvocopula is wide, with a pair of opposing tabs on the pars interior located at the valve middle underneath butterfly-like structure.

Autecology

Tursiocola alata is heterotrophic (apochlorotic) and exclusively epizoic on the skin of West Indian manatees. 

Tursiocola alata LM6
Credit: Image: Tom Frankovich
Two living cells, recently divided

Original Description

DESCRIPTION–LM morphology: Cells motile and apochlorotic with few to numerous highly refractive putative oil droplets (Figs 1–3). In some specimens, distinct middle cytoplasmic bridge observed between valves in girdle view (Fig. 1). Mounted specimens most often lying in girdle view with truncated oval outline (Figs 1–2, 47–51) with convex edges formed by large marginal ridges at junction of valve face and mantle, and bluntly rounded rectangular edges formed by valve apices and cingulum (Figs 1–2, 47–51). In larger specimens, marginal ridges slightly concave in middle in girdle view (Figs 47–48). Mantle areas wider at apices relative to valve middle (Figs 1–2, 47–51). Copulae porose with noticeably larger and less dense pores than valve striae areolae (Figs 47–51). Valves isopolar and narrowly linear-lanceolate with acute apices (Figs 3, 52–60). Valve measurements: length 23–40 µm, width 2.7–3.8 µm, length to width ratio 7–11, n ≥ 14. Raphe straight (Figs 52–60). Central raphe ends straight, slightly expanded, terminating just within small circular central area (Figs 52, 54, 57). Central area intersected by very narrow, linear fascia extending to edge of valve face (Figs 52, 54, 57, 59). Transapical striae slightly convergent in middle of valve becoming parallel towards apices, 24–28 in 10 µm, n = 30 (Figs 52, 54, 57, 59). Through careful focusing just above the plane of valve face, marginal ridges appear as pair of bright lines extending between the apices and along edge of valve face (Figs 52, 56). Pseudosepta evident in girdle view (Figs 1, 47–51). Pseudoseptum extends over approx. 1/5 of the valve length from each apex continuing as narrow strips along valve margin before connecting with butterfly structure (Figs 53, 55, 58, 60).

DESCRIPTION–SEM morphology: Externally, transapical striae composed of circular areolae near raphe and transapically elongated areolae on mantle (Figs 61–67, 69–74). Areolae appearing similar in outline to overlapping pin holes (Figs 64–67, 71–74), areola density approx. 30 in 10 µm. Striae on mantle shortened at valve middle adjacent to central area and fascia (Figs 62–63, 65, 70). Two large hyaline marginal ridges (width approx. 200 nm) resembling wings extending perpendicularly away from valve face (Figs 69, 71–73), one on each side of valve near valve margin (Figs 61–64, 66, 69–73). Maximum height of marginal ridge approximately same as mantle depth (Figs 61–63, 69–70). Marginal ridges decreasing in height and terminating a short distance from apices (Figs 61–64, 66–67, 69–71, 73) forming the transition between steeply sloping and relatively deep mantle and flat valve face (Figs 64, 66, 71–74). Numerous small siliceous granulae (Ross and Sims 1972) are present on mantle margin and between terminal areolae (Fig 65). Fastigii present at valve apices (Figs 64, 66–67, 70, 73–74) extending upwards towards valve face reaching approximately half of mantle height (Figs 64, 66–67). Raphe lying within a narrow axial area (Figs 64, 71–74). Polar raphe ends deflected towards secondary side of valve then apparently bifurcating around fastigium (Figs 73–74). Polar raphe end fissures extending onto the mantle and terminate near valve margin (Figs 64, 66). Internally, pseudosepta extending from apices as siliceous plates concealing structure of internal polar raphe ends (Figs 75–76) and continuing as thin strips along valve margin before widening into broad concave wings of butterfly structure (Figs 75–77). Marginal strips of pseudosepta briefly widen towards their middle, forming oblong-shaped voids constricted in the middle (Figs 75–77). Internally, raphe fissure slightly expanded in central area and positioned along center of a thick siliceous rib (Figs 75–77). Two C-shaped knobs on raphe rib on opposing sides of raphe on raphe rib at valve center; open ends of C-shaped knobs face center of valve (Figs 75–77). Epicingulum composed of open valvocopula (Figs 63, 68) with advalvar row of larger transapically elongated pores and second abvalvar row of smaller ovoid pores, pore density = 20–21/10 µm, and up to three additional abvalvar open copulae each with single row of small ovoid pores, pore densities = 33–40/10 µm (Figs 61–63, 65, 67–69). Valvocopula wide (Figs 63, 65, 67–68) with pair of opposing tabs on pars interior located at valve middle underneath butterfly structure (Fig. 68).

  • Author
    Frankovich, Ashworth and M.J.Sullivan 2018
  • Length Range
    23-40 µm
  • Width
    2.7-3.8 µm
  • Striae in 10µm
    24-28

Original Images

Tursiocola alata orig illus1
Tursiocola alata orig illus2
Tursiocola alata orig illus3
Tursiocola alata orig desc
Original text and images reproduced with permission by Elsevier.

Cite This Page

Frankovich, T., Ashworth, M., Sullivan, M. (2026). Tursiocola alata. In Diatoms of North America. Retrieved March 31, 2026, from https://diatoms.org/species/351131/tursiocola-alata

Responses

The 15 response plots show an environmental variable (x axis) against the relative abundance (y axis) of Tursiocola alata from all the stream reaches where it was present. Note that the relative abundance scale is the same on each plot. Explanation of each environmental variable and units are as follows:

ELEVATION = stream reach elevation (meters)
STRAHLER = distribution plot of the Strahler Stream Order
SLOPE = stream reach gradient (degrees)
W1_HALL = an index that is a measure of streamside (riparian) human activity that ranges from 0 - 10, with a value of 0 indicating of minimal disturbance to a value of 10 indicating severe disturbance.
PHSTVL = pH measured in a sealed syringe sample (pH units)
log_COND = log concentration of specific conductivity (µS/cm)
log_PTL = log concentration of total phosphorus (µg/L)
log_NO3 = log concentration of nitrate (µeq/L)
log_DOC = log concentration of dissolved organic carbon (mg/L)
log_SIO2 = log concentration of silicon (mg/L)
log_NA = log concentration of sodium (µeq/L)
log_HCO3 = log concentration of the bicarbonate ion (µeq/L)
EMBED = percent of the stream substrate that is embedded by sand and fine sediment
log_TURBIDITY = log of turbidity, a measure of cloudiness of water, in nephelometric turbidity units (NTU).
DISTOT = an index of total human disturbance in the watershed that ranges from 1 - 100, with a value of 0 indicating of minimal disturbance to a value of 100 indicating severe disturbance.