• Category
  • Length Range
    18-28 µm
  • Width Range
    8-10 µm
  • Striae in 10 µm
    12-16

Identification

Description

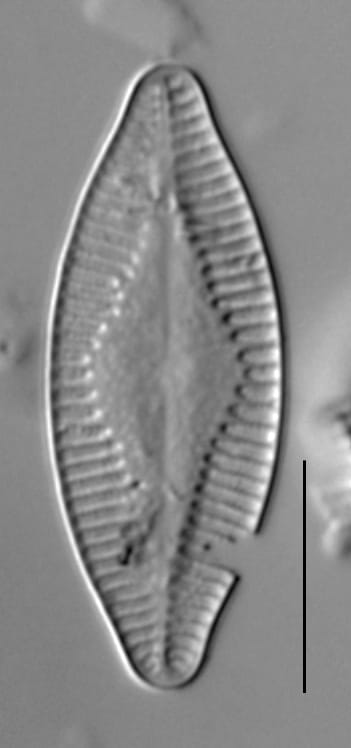
Valves elliptically lanceolate with slightly rostrate apices. The raphe valve has an off-set "bow tie" shaped to oval central area. The rapheless valve has a large, broad central area, becoming more narrow toward the apices. The raphe is straight with expanded, unilaterally deflected proximal ends. The distal raphe ends are deflected to opposite sides of the valve. The striae are radiate on the raphe valve and slightly radiate on rapheless valve. The striae are multiseriate.

Autecology

Original Description

Lanceolata, apicibus attenuatis et obtusiusculis. Valva superior striis marginalibus, 14 in 0,01 m.m., nodulo centrali indistincta, linea media indistincta. Valva inferior, linea media distincta, striis radiantibus lin. med attingentibus, circa nodulum centralum abbreviatis. Long. 0,028 m.m. Lat. 0,009 m.m. Loc. Grönland, Kornak. Tab. XVI fig. 6 (valv. sup.), 7 (valv. inf.).

  • Basionym
    Achnanthes holstii
  • Author
    Cleve 1881
  • Length Range
    28 µm
  • Width
    9 µm
  • Striae in 10µm
    14

Original Images

Achnanthes holstii orig illus
Achnanthes holstii orig descr

Cite This Page

Otu, M., Spaulding, S. (2011). Planothidium holstii. In Diatoms of North America. Retrieved December 14, 2025, from https://diatoms.org/species/46150/planothidium_holstii

Responses

The 15 response plots show an environmental variable (x axis) against the relative abundance (y axis) of Planothidium holstii from all the stream reaches where it was present. Note that the relative abundance scale is the same on each plot. Explanation of each environmental variable and units are as follows:

ELEVATION = stream reach elevation (meters)
STRAHLER = distribution plot of the Strahler Stream Order
SLOPE = stream reach gradient (degrees)
W1_HALL = an index that is a measure of streamside (riparian) human activity that ranges from 0 - 10, with a value of 0 indicating of minimal disturbance to a value of 10 indicating severe disturbance.
PHSTVL = pH measured in a sealed syringe sample (pH units)
log_COND = log concentration of specific conductivity (µS/cm)
log_PTL = log concentration of total phosphorus (µg/L)
log_NO3 = log concentration of nitrate (µeq/L)
log_DOC = log concentration of dissolved organic carbon (mg/L)
log_SIO2 = log concentration of silicon (mg/L)
log_NA = log concentration of sodium (µeq/L)
log_HCO3 = log concentration of the bicarbonate ion (µeq/L)
EMBED = percent of the stream substrate that is embedded by sand and fine sediment
log_TURBIDITY = log of turbidity, a measure of cloudiness of water, in nephelometric turbidity units (NTU).
DISTOT = an index of total human disturbance in the watershed that ranges from 1 - 100, with a value of 0 indicating of minimal disturbance to a value of 100 indicating severe disturbance.

Diatoms of North America relies on the financial support of our user community. We aim to build our technical content by engaging diatomists at all levels and training the next generation. We need you to reach our 2025 fundraising goal of $25,000.

If you use and appreciate DONA, make your DONAtion today.