Compare

Frustulia bahlsii is distinct from many other large Frustulia species by the blunt, spathulate ends of the longitudinal ribs; the porte-crayon is absent. Frustulia pangaeopsis also has blunt rib ends, but differs from F. bahlsii by shorter, narrower valves with a higher stria density. Frustulia bahlsii is larger and has a lower stria density than F. rhomboides.

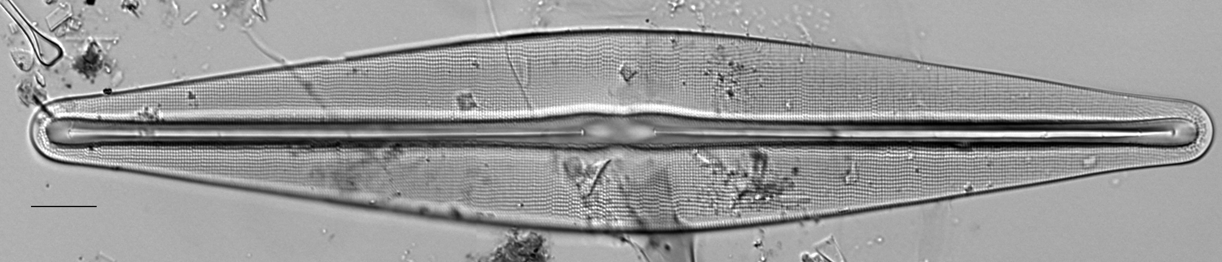
LM scalebar = 10 µm
Frustulia bahlsii LM3 Frustulia bahlsii LM4 Frustulia bahlsii LM5 Frustulia bahlsii LM6 Frustulia bahlsii LM7 Frustulia bahlsii LM1 Frustulia bahlsii LM2
Length Range
123-195 µm
Width Range
26-31 µm
Striae in 10 µm
longitudinal striae 19-22, transverse striae 24-25

Also compare to

Frustulia rhomboides

(Ehrenb.) De Toni

Frustulia pangaeopsis

Lange-Bert.

Diatoms of North America relies on the financial support of our user community. We aim to build our technical content by engaging diatomists at all levels and training the next generation. We need you to reach our 2025 fundraising goal of $25,000.

If you use and appreciate DONA, make your DONAtion today.