Frustulia neomundana has longitudinal ribs, while F. creuzburgensis lacks them. Frustulia neomundana has complete ribs on one side, while the longitudinal ribs of F. latita and F. weinholdii are incomplete on both sides. Frustulia neomundana has rostrate apices, while F. capitata has capitate or subcapitate apices. Frustulia neomundana has a lower stria density than F. soror.

LM scalebar = 10 µm
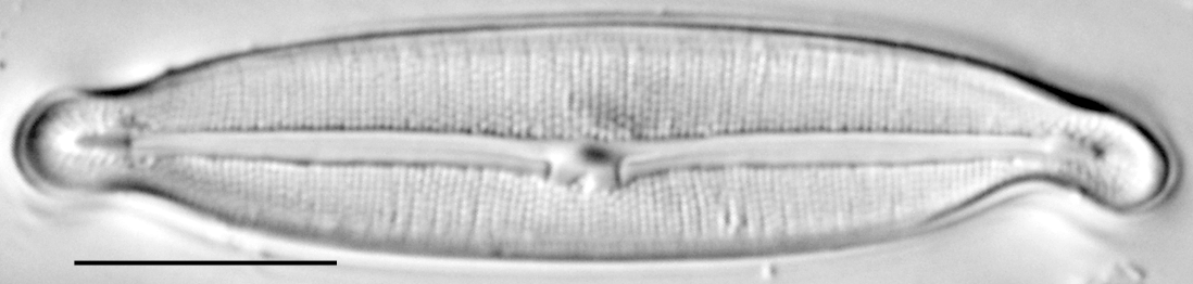
Length Range
38.5-44.0 µm
Width Range
7.5-8.0 µm
Striae in 10 µm
31-32 at the center
Frustulia neomundana LM5
Frustulia neomundana LM4
Frustulia neomundana LM3
Frustulia neomundana LM2
Frustulia neomundana LM1
Frustulia neomundana LM5 Frustulia neomundana LM4 Frustulia neomundana LM3 Frustulia neomundana LM2 Frustulia neomundana LM1

Frustulia creuzburgensis

(Krasske) Hust. 1957

Length Range
26.0-38.0 µm
Width Range
6.0-8.0 µm
Striae in 10 µm
24-26 at the center, 28-30 at the ends
Frustulia creuzburgensis LM7 Frustulia creuzburgensis LM4 Frustulia creuzburgensis LM1 Frustulia creuzburgensis LM3 Frustulia creuzburgensis LM6 Frustulia creuzburgensis LM5 Frustulia creuzburgensis LM2

Frustulia latita

Graeff and Kociolek 2011

Length Range
32.0-48.0 µm
Width Range
8.0-10.0 µm
Striae in 10 µm
30-32 at the center, 33-35 at the ends
Frustulia latita LM1 Frustulia latita LM2 Frustulia latita LM3 Frustulia latita LM3 Frustulia latita LM5

Frustulia soror

Graeff and Kociolek 2011

Length Range
28.5-52.0 µm
Width Range
7.5-9.5 µm
Striae in 10 µm
34-36 at the center, 35-37 at the ends
Frustulia soror LM6 Frustulia soror LM5 Frustulia soror LM4 Frustulia soror LM3 Frustulia soror LM2 Frustulia soror LM1

Frustulia capitata

Graeff and Kociolek 2011

Length Range
26.0-43.0 µm
Width Range
7.0-8.5 µm
Striae in 10 µm
34-36 at the center, 35-38 at the ends
Fragilara capitata LM1 Fragilara capitata LM2 Fragilara capitata LM3 Fragilara capitata LM4 Fragilara capitata LM5

Also compare to

Frustulia weinholdii

Hust.

BioData Reference
Lange-Bertalot 2001 Pl 133 Fig 5-7