Compare

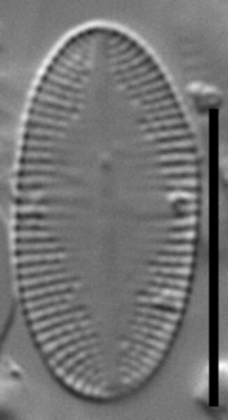
Psammothidium nivale is distinguished from other Psammothidium species by coarser striae and areolae on the rapheless valve as compared to the raphe valve. It resembles P. daonense by the rhomboid shape of the axial area on the rapheless valve and valve size and shape, but can be distinguished by the coarse striae and areolae on rapheless valve. In the SEM, the transapically elongate areolae resemble those of P. subatomoides, but P. nivale is distinguished more elongated shape and larger size of the valve, and a lower stria and areola density.

LM scalebar = 10 µm
Psammothidium nivale LM5 Psammothidium nivale LM2 Psammothidium nivale LM4 Psammothidium nivale LM3 Psammothidium nivale LM1 Psammothidium nivale LM7 Psammothidium nivale LM6
Length Range
11.7-15 µm
Width Range
5.6-6 µm
Striae in 10 µm
26–28 on rapheless valve, 30–32 on raphe valve

Psammothidium subatomoides

(Hust.) Bukht. and Round 1996

Psammothidium subatomoides LM10 Psammothidium subatomoides LM2 Psammothidium subatomoides LM4 Psammothidium subatomoides LM6 Psammothidium subatomoides LM8
Length Range
5.5–11 µm
Width Range
3.2-6.0 µm
Striae in 10 µm
30-40

Psammothidium daonense

(Lange-Bert.) Lange-Bert. 1999

Psammothidium daonense LM3 Psammothidium daonense LM2 Psammothidium daonense LM1 Gs100739  Psdao 4A Ed Gs100739  Psdao 4B Ed Mo000019 1A Ed Gs007601  Psdao 1A Ed
Length Range
9-23 µm
Width Range
4.8-7.5 µm
Striae in 10 µm
24-30