Semiorbis hemicyclus is most similar to S. eliasiae and these taxa could easily be confused as the size range and morphometrics are overlapping. In general, S. eliasiae is greater in width and has a lower stria density.

Semiorbis rotundus values are much more curved.

Semiorbis catillifera has an undulation on the dorsal side at the valve middle. Valves have less curvature.

LM scalebar = 10 µm
Length Range
11.7-28.1 µm
Width Range
2.5-4.5 µm
Striae in 10 µm
11-14
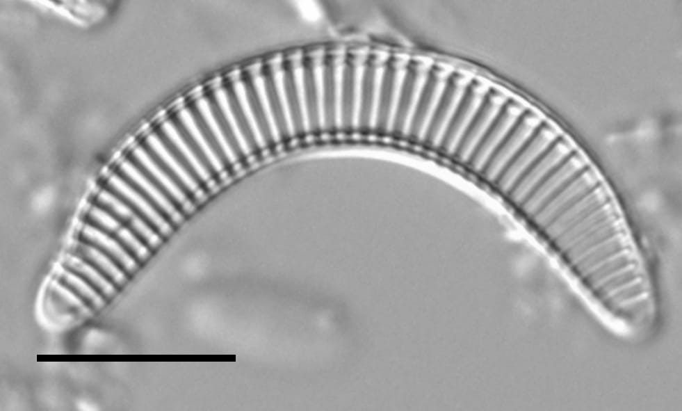
Semiorbis hemicyclus LM3
Semiorbis hemicyclus LM1
Semiorbis hemicyclus LM2
Semiorbis hemicyclus LM5
Semiorbis hemicyclus LM4
Semiorbis hemicyclus LM6
Semiorbis hemicyclus LM3 Semiorbis hemicyclus LM1 Semiorbis hemicyclus LM2 Semiorbis hemicyclus LM5 Semiorbis hemicyclus LM4 Semiorbis hemicyclus LM6

Semiorbis eliasiae

Edlund, D.R.L.Burge, N.A.Andresen and VanderMeulen 2021

Length Range
16.5-40.5 µm
Width Range
3.5-5.7 µm
Striae in 10 µm
8-12
Semiorbis eliasiae LM1 Semiorbis eliasiae LM2 Semiorbis eliasiae LM3 Semiorbis eliasiae LM4 Semiorbis eliasiae LM5 Semiorbis eliasiae LM6

Semiorbis rotundus

G.Reid and D.M.Williams 2010

Length Range
32.9-45.1 µm
Width Range
3.9-4.8 µm
Striae in 10 µm
12-13
Semiorbis rotundus LM7 Semiorbis rotundus LM6 Semiorbis rotundus LM4 Semiorbis rotundus LM3 Semiorbis rotundus LM2 Semiorbis rotundus LM5 Semiorbis rotundus LM1

Semiorbis catillifera

(Morrow) G.Reid and D.M.Williams 2010

Length Range
17-40 µm
Width Range
4.8-5.3 µm
Striae in 10 µm
12-13
Semiorbis catillifera LM1 Semiorbis catillifera LM2 Semiorbis catillifera LM3 Semiorbis catillifera LM4 Semiorbis catillifera LM5 Semiorbis catillifera LM7 Semiorbis catillifera LM6