• Category
  • Length Range
    13-61 µm
  • Width Range
    2.0-5.2 µm
  • Striae in 10 µm
    22-34

Identification

Description

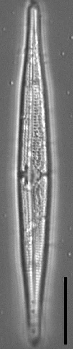
Tursiocola ziemanii  grows exclusively on the skin of West Indian manatees.

The frustules are rectangular in girdle view, with bluntly rounded ends and porose copulae. The valves are isopolar and narrowly lanceolate, tapering gradually from the middle to the juncture of the pseudosepta and the valve margin (approx. 1/4 of the valve length) and then tapering markedly toward rounded, produced, rostrate apices.

The valve face is slightly asymmetric around the narrow axial area, with one half of the valve face wider than the other. The raphe is fine and indistinguishable from the straight and more strongly silicified sternum. The axial area is narrow and widens at the diamond-shaped central area.  The transapical striae are slightly convergent/disrupted around the central area becoming mostly parallel toward the apices.

SEM: Externally, the valve has uniseriate striae composed of oval areolae extending onto the valve mantle. The areolae are arranged in fairly straight longitudinal rows, approximately 23 areolae in 10 μm. A straight, narrow, and more strongly silicified axial rib lies within the axial area that widens slightly toward the central area. The proximal raphe ends are simple, deflected toward the secondary side of the valve, and lie along the edge of the central area terminating where the stauros extends toward the valve margin. The distal raphe ends are bifurcated and obscured by overhanging siliceous flaps that bend toward the same side of the valve at both apices. 

Internally, the butterfly-like structure connects the pseudosepta to the central area and stauros. The pseudosepta extend from the apices as siliceous plates for approximately one-quarter of the valve length and then continue as narrow strips that run along the valve margins before widening at the “wings” of the butterfly-like structure in the central area. The narrow strips of the pseudosepta widen toward the valve center forming broad, concave “wings” of the butterfly structure. The pseudosepta and the butterfly-like structure enclose two pyriform-shaped areas on either side of the central area. Internally, the raphe slits open along the middle of a strong siliceous rib that widens slightly in the central area. Two knob-like structures are present on the rib on opposing sides of the raphe at the valve center. The areolae are occluded internally by hymenes perforated by a linear array of elongate pores (Majewska and Goosen 2020). Up to 6 copulae have been observed. The copulae are open on one end with 1-2 rows of transapically elongated pores, 17–36 in 10 μm.

Examination of additional specimens of Tursiocola ziemanii from wild and captive manatees (Majewska and Goosen 2020) since the time of the original description has resulted in expansion of the size range and stria density of the species. Observation of additional specimens with greater resolution using field emission scanning electron microscopy permitted us to correct our initial misinterpretation of the morphology of the cincture and girdle bands. The cincture is composed of more copulae than initially reported with one to two rows of pores on each girdle band.

Autecology

All Tursiocola species that have been observed as live cells have been apochlorotic (non-photosynthetic). Live cells of T. ziemanii observed separate from manatee skin are moderately motile. Tursiocola ziemanii is one of six known species that only occur on the skin of West Indian manatees and is most often the most numerically abundant taxon of the manatee Tursiocola.

This taxon has been documented on manatees in freshwater springs (Florida), estuaries and coastal marine waters (Florida and Georgia) and also on captive manatees (Poland).

Tursiocola ziemanii LM6
Credit: Image: Tom Frankovich
Apochlorotic living cell, valve view depicting oil bodies

Original Description

The frustules are rectangular in girdle view with bluntly rounded ends and porose girdle copulae (Figs. 1–6). The valves are isopolar and narrowly lanceolate, tapering gradually from the middle of the valves to the juncture of the pseudosepta and the valve margin (approx. 1/4 of the valve length) and then tapering more rapidly towards rounded, produced, rostrate apices (Figs. 7–13). Length 20–61 μm, width 2.4–5.2 μm, length to width ratio 7.3–11.8. The valve face is slightly asymmetric around the narrow axial area with one half of the valve face wider than the other (Figs. 7, 9–12). The raphe is very fine and indistinguishable from the straight and more strongly silicified axial rib. The axial area is very narrow and widens at the diamond-shaped central area (Figs. 7, 9–12). The central area is intersected by a narrowing stauros that appears as a narrow highly refractive bar and extends to the valve margins where its width becomes only slightly larger than the interstriae width (Figs. 1–6). The transapical striae are slightly convergent/disrupted around the central area becoming mostly parallel towards the apices (Fig. 10), 22–25 in 10 μm. By focusing through the valve, pseudosepta can be seen to extend over approximately 1/4 of the valve length from the apices which then continue as narrow strips along the valve margin, widening in the central area where they fuse with the stauros forming a butterfly-like structure and two pyriform-shaped voids on either side of the central area (Figs. 8, 13).

SEM morphology:—Externally, the valve mantle slopes steeply without any clear transition between the valve face and mantle (Figs. 14–15, 18–20). The valve face has uniseriate transapical striae composed of oval areolae extending onto the entire valve mantle (Figs. 14–15, 18–20). The mantle margin is narrow and slightly more silicified than the interstriae area (Fig. 20). The areolae are arranged in fairly straight longitudinal rows, approximately 23 areolae in 10 μm (Figs. 14–15, 19). A straight, narrow, and more strongly silicified axial rib lies within the axial area that widens very slightly towards the central area (Figs. 14–15, 18). The raphe is very fine, straight and slightly eccentric (Figs. 14–15, 18). The central area is diamond-shaped with a narrow unpunctate stauros that extends to the valve margins (Figs. 14–15, 18). The stauros is slightly wider on the primary side of the valve (Figs. 14–15, 18). The external proximal raphe ends are simple, deflected towards the secondary side of the valve, and lie along the edge of the central area terminating where the stauros extends towards the valve margin (Fig. 18). The distal raphe ends are apparently bifurcated and obscured by overhanging siliceous flaps that bend towards the same side of the valve at both apices (Fig. 19). A siliceous rim curves around the valve apex (Fig. 19). A flange-shaped siliceous outgrowth is sometimes observed extending from the mantle on one side of the apex at one of the poles (Fig. 14).

Internal views of the valves reveal the butterfly-like structure that connects the pseudosepta to the central area and stauros (Figs. 16–17, 21). The pseudosepta extend from the apices as siliceous plates for approximately one-quarter of the valve length and then continue as narrow strips that run along the valve margins before widening at the “wings” of the butterfly-like structure in the central area (Fig. 16). The narrow strips of the pseudosepta briefly widen towards the valve center forming broad concave “wings” of the butterfly structure (Figs. 18–19). The pseudosepta and the butterfly-like structure enclose two pyriform-shaped areas on either side of the central area (Figs. 16–17). Internally, the raphe slits open along the middle of a strong siliceous rib that widens slightly in the central area (Figs. 16–17). Two knob-like structures are present on the rib on opposing sides of the raphe at the valve center (Fig. 17). The internal central area is hexagonal and fuses with the broad wings of the butterfly-like structure at an abrupt near 90º angle (Fig. 17). A narrow stauros intersects the central area (Fig. 17). The girdle is composed of 2 copulae that are open on one end (Figs. 20–24) with a single row of transapically elongated pores, 17–22 in 10 μm (Figs. 20, 22–23). In whole frustules, the advalvar row is partially obscured by the valve mantle (Fig. 20).

  • Author
    Frankovich and M.J.Sullivan. 2015
  • Length Range
    20-61 µm
  • Width
    2.4-5.2 µm
  • Striae in 10µm
    22-25

Original Images

Tursiocola ziemanii orig illus1
Tursiocola ziemanii orig illus2
Tursiocola ziemanii orig illus3
Tursiocola ziemanii orig desc
Original text and images reproduced with permission by Magnolia Press.

Cite This Page

Frankovich, T., Sullivan, M. (2026). Tursiocola ziemanii. In Diatoms of North America. Retrieved March 31, 2026, from https://diatoms.org/species/350480/tursiocola-ziemanii

Responses

The 15 response plots show an environmental variable (x axis) against the relative abundance (y axis) of Tursiocola ziemanii from all the stream reaches where it was present. Note that the relative abundance scale is the same on each plot. Explanation of each environmental variable and units are as follows:

ELEVATION = stream reach elevation (meters)
STRAHLER = distribution plot of the Strahler Stream Order
SLOPE = stream reach gradient (degrees)
W1_HALL = an index that is a measure of streamside (riparian) human activity that ranges from 0 - 10, with a value of 0 indicating of minimal disturbance to a value of 10 indicating severe disturbance.
PHSTVL = pH measured in a sealed syringe sample (pH units)
log_COND = log concentration of specific conductivity (µS/cm)
log_PTL = log concentration of total phosphorus (µg/L)
log_NO3 = log concentration of nitrate (µeq/L)
log_DOC = log concentration of dissolved organic carbon (mg/L)
log_SIO2 = log concentration of silicon (mg/L)
log_NA = log concentration of sodium (µeq/L)
log_HCO3 = log concentration of the bicarbonate ion (µeq/L)
EMBED = percent of the stream substrate that is embedded by sand and fine sediment
log_TURBIDITY = log of turbidity, a measure of cloudiness of water, in nephelometric turbidity units (NTU).
DISTOT = an index of total human disturbance in the watershed that ranges from 1 - 100, with a value of 0 indicating of minimal disturbance to a value of 100 indicating severe disturbance.