• Category
  • Length Range
    17-29 µm
  • Width Range
    2.5-3.9 µm
  • Striae in 10 µm
    22-29

Identification

Description

This species grows exclusively on the skin of West Indian manatees.

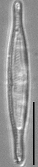
Frustules are linear-rectangular. Valves are slightly heteropolar and lanceolate, with drawn out, rostrate apices. The heteropolarity of the Valves are slighty heteropolar, based on small differences in the length of the valve halves or difference in the degree to which the apices are drawn out. The valve face is asymmetric around the narrow axial area, with one half of the valve face wider than the other. The raphe is not evident in LM. The central area is diamond-shaped,intersected by a stauros that narrows near the valve margin. Striae are convergent. Pseudoseptae extend over approximately 1/5 to 1/4 of the valve length from the apices. as the pseudosepatae are present as narrow strips along the valve margin and connect with the butterfly-like structure.

SEM: Externally, the valve face has convergent, uniseriate striae separated by raised interstriae. The striae are composed of circular to oval to irregular areolae. A narrow, strongly silicified rib lies within the axial area. The raphe is very fine and lies immediately adjacent to the rib on the narrower half of the valve face. The central area is raised, diamond-shaped, and intersected by a narrow, linear stauros. The proximal raphe ends are expanded and deflected toward the narrower valve half of the valve. The distal raphe ends are obscured by overhanging siliceous flaps and deflected in the same direction as the proximal raphe ends. The pseudosepta extend from the apices for approximately one-quarter of the valve length and then continue as narrow strips that run along the valve margins before connecting with the butterfly-like structure. Internally, the raphe lies along the center of a strong siliceous rib that widens in the central area. Two knob-like structures are present on the rib on opposing sides of the raphe at the valve center. The cincture is composed of at least two porose copulae. Each copula has a single row of circular to oval pores.

Autecology

This taxon is exclusively epizoic and has only been observed on the skin of West Indian manatees.

Original Description

The frustules are linear rectangular, slightly widened in the middle by elevated transapical interstriae costae, with bluntly rounded ends and two striated copulae (Figs. 47–50). The striae of the two copulae are located just below the valve margins and are separated by a relatively broad hyaline area (Figs. 47–50). The valves are slightly heteropolar and lanceolate with drawn out rostrate apices (Figs. 51–57). Length 17–29 μm, width 2.5–3.9 μm, length to width ratio 6.3–9.8. The heteropolarity of the valves is evidenced by small differences in the lengths of the valve halves or differences in the degree to which the apices are drawn out (i.e., one valve end may be more rostrate than the opposing end). The valve face is also asymmetric around the narrow axial area with one half of the valve face wider than the other (Figs. 51–53, 55–57). The axial area bends towards the thinner valve half (Figs. 51–53, 55–57). The raphe is not evident in LM. The central area is diamond-shaped and is intersected by a narrowing stauros that extends to the valve margin (Figs. 51–53, 55–57). The transapical striae are convergent throughout the valve face (Figs. 51–53, 55–57), 22–29 in 10 μm. By focusing through the valve, pseudosepta can be seen to extend over approximately 1/5 to 1/4 of the valve length from the apices, which then continue as narrow strips along the valve margin before connecting with the central area (Figs. 51–52, 54, 57).

SEM morphology:—Externally, the valve face has convergent uniseriate transapical striae separated by raised interstriae for 1/2 to 2/3 of the valve length (Figs. 58, 61, 63–64). There is a clear transition between the valve face and the valve mantle (Figs. 61, 63–64). Interstriae costae are not present on the valve mantle where the transapical striae are parallel in the middle and slightly convergent towards the apices (Figs. 61, 63–64). The mantle edge is narrow with a clear transition between it and the upper mantle at the valve middle (Figs. 63–64). The raised interstriae costae are rounded on the narrower half of the valve face, and triangular with sharp edges in cross-section on the wider halves of the valve faces (Figs. 63–64). The transapical striae are composed of circular to oval to irregular areolae, approximately18 areolae in 10 μm along the transapical axis (Figs. 58, 60–64). A narrow strongly silicified rib lies within the axial area (Figs. 58, 60–61, 63–64). The raphe is very fine and lies immediately adjacent to the rib on the narrower half of the valve face (Fig. 58). The central area is raised (Figs. 61, 63–64), diamond-shaped and intersected by a narrow linear stauros about the width of the interstriae area (Figs. 58–59, 61, 63–64). A single interstriae costa is sometimes present in the stauros (Figs. 59, 63). The proximal raphe ends are expanded and deflected towards the narrower valve half (Fig. 59). The distal raphe ends are apparently bifurcated, obscured by overhanging siliceous flaps and deflected in the same direction as the proximal raphe ends (Fig. 60).

The interstriae transapical costae are also visible in the internal view of the valve (Figs. 65–66). The butterfly-like structure that connects the pseudosepta to the central area and the very narrow stauros is also clearly seen (Figs. 65–66). The pseudosepta extend from the apices as siliceous plates for approximately one-quarter of the valve length (Fig. 65), which then continue as narrow strips that run along the valve margins before widening into broad concave “wings” of the butterfly-like structure in the central area (Figs. 65–66). The narrow strips of the pseudosepta briefly widen towards their middle (Fig. 65). The pseudosepta and the butterfly-like structure enclose two rounded pyriform-shaped voids on either side of the central area (Fig. 65). Internally, the raphe lies along the center of a strong siliceous rib that widens in the central area (Figs. 65–66). Two knob-like structures are present on the rib on opposing sides of the raphe at the valve center (Fig. 66). The center of the butterfly-like structure is hexagonal (Figs. 65–66) and connects with the wings of the butterfly-like structure at a near 90º angle (Fig. 66). A very narrow stauros intersects the central area (Fig. 66).

The girdle is composed of two copulae (Fig. 62), possessing a single row of circular to oval pores, 22–28 in 10 μm (Figs. 62, 67–68). The copulae are open on one end with tabs in the middle that extend advalvarly towards the valve margins (Figs. 67–68). In whole frustules, the pores are partially obscured by the valve mantle (Fig. 62).

  • Author
    Frankovich and M.J.Sullivan 2015
  • Length Range
    17-29 µm
  • Width
    2.5-3.9 µm
  • Striae in 10µm
    22-29

Original Images

Tursiocola costata orig illus1
Tursiocola costata orig illus2
Tursiocola costata orig illus3
Tursiocola costata orig desc

Cite This Page

Frankovich, T., Sullivan, M. (2026). Tursiocola costata. In Diatoms of North America. Retrieved March 16, 2026, from https://diatoms.org/species/351127/tursiocola-costata

Responses

The 15 response plots show an environmental variable (x axis) against the relative abundance (y axis) of Tursiocola costata from all the stream reaches where it was present. Note that the relative abundance scale is the same on each plot. Explanation of each environmental variable and units are as follows:

ELEVATION = stream reach elevation (meters)
STRAHLER = distribution plot of the Strahler Stream Order
SLOPE = stream reach gradient (degrees)
W1_HALL = an index that is a measure of streamside (riparian) human activity that ranges from 0 - 10, with a value of 0 indicating of minimal disturbance to a value of 10 indicating severe disturbance.
PHSTVL = pH measured in a sealed syringe sample (pH units)
log_COND = log concentration of specific conductivity (µS/cm)
log_PTL = log concentration of total phosphorus (µg/L)
log_NO3 = log concentration of nitrate (µeq/L)
log_DOC = log concentration of dissolved organic carbon (mg/L)
log_SIO2 = log concentration of silicon (mg/L)
log_NA = log concentration of sodium (µeq/L)
log_HCO3 = log concentration of the bicarbonate ion (µeq/L)
EMBED = percent of the stream substrate that is embedded by sand and fine sediment
log_TURBIDITY = log of turbidity, a measure of cloudiness of water, in nephelometric turbidity units (NTU).
DISTOT = an index of total human disturbance in the watershed that ranges from 1 - 100, with a value of 0 indicating of minimal disturbance to a value of 100 indicating severe disturbance.