• Category
  • Length Range
    20.5-28.3 µm
  • Width Range
    4.5-5.7 µm
  • Striae in 10 µm
    17-19
  • Reported As
    Diatoma obtusum (Kirchner 1878, pg. 204)
    Denticula kuetzingii (Krammer and Lange-Bertalot 1988, Pl 99 Fig 11-23 Pl 100 Fig 1-14)

Identification

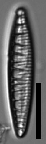
Description

Valves are narrow and lanceolate with sub-rostrate apices. Striae are parallel throughout. Areolae are equally spaced, clearly separated, and number 10-12 in 10 μm. The raphe is eccentric and supported by fibulae that extend transapically from the center of the valve. Fibulae extend internally at irregular angles from the raphe to about halfway across the valve face.

Grunow (1862) reported the dimensions as 29-30 μm long and 4 μm wide.

Autecology

This taxon has been found in fresh to brackish water. It has been reported Lake Superior and Shell Lake in Sleeping Bear Dunes National Lakeshore in Michigan (specimens illustrated here). It was reported from 15 lakes in the Sand Hills of Nebraska, preferring deeper lakes with a nitrate + nitrite optimum of 513 μg/L, total phosphorus optimum of 29 μg/L, and an alkalinity optimum of 173 mg/L (Shinneman et al. 2010).

This taxon was also reported living in brackish water in Kongsfjorden, Svalbard (Al-Handal et al. 2016).

Original Description

  • Author
    Grunow 1862
  • Length Range
    29-30 µm
  • Striae in 10µm
    36-40

Original Images

Denticula kuetzingii orig illus
Denticula kuetzingii orig desc

Cite This Page

Mohan, J. (2022). Denticula kuetzingii. In Diatoms of North America. Retrieved November 17, 2025, from https://diatoms.org/species/61786/denticula-kuetzingii

Responses

The 15 response plots show an environmental variable (x axis) against the relative abundance (y axis) of Denticula kuetzingii from all the stream reaches where it was present. Note that the relative abundance scale is the same on each plot. Explanation of each environmental variable and units are as follows:

ELEVATION = stream reach elevation (meters)
STRAHLER = distribution plot of the Strahler Stream Order
SLOPE = stream reach gradient (degrees)
W1_HALL = an index that is a measure of streamside (riparian) human activity that ranges from 0 - 10, with a value of 0 indicating of minimal disturbance to a value of 10 indicating severe disturbance.
PHSTVL = pH measured in a sealed syringe sample (pH units)
log_COND = log concentration of specific conductivity (µS/cm)
log_PTL = log concentration of total phosphorus (µg/L)
log_NO3 = log concentration of nitrate (µeq/L)
log_DOC = log concentration of dissolved organic carbon (mg/L)
log_SIO2 = log concentration of silicon (mg/L)
log_NA = log concentration of sodium (µeq/L)
log_HCO3 = log concentration of the bicarbonate ion (µeq/L)
EMBED = percent of the stream substrate that is embedded by sand and fine sediment
log_TURBIDITY = log of turbidity, a measure of cloudiness of water, in nephelometric turbidity units (NTU).
DISTOT = an index of total human disturbance in the watershed that ranges from 1 - 100, with a value of 0 indicating of minimal disturbance to a value of 100 indicating severe disturbance.

Diatoms of North America relies on the financial support of our user community. We aim to build our technical content by engaging diatomists at all levels and training the next generation. We need you to reach our 2025 fundraising goal of $25,000.

If you use and appreciate DONA, make your DONAtion today.