Compare

Brachysira microcephala, as reported in this website, has wider (up to 7 µm wide) elliptic-lanceolate valves with capitate apices. The narrow, more linear forms of B. microcephala pictured by Wolfe and Kling (2001, figs 19-20) have a wider central area and less attenuated, more bluntly rounded apices. Brachysira procera and B. manfredii have fewer than 31 striae in 10 µm. Brachysira liliana has larger (up to 50 µm long by 7 µm wide), isopolar valves with unprotracted apices.

LM scalebar = 10 µm
Brachysira ocalanensis LM1 Brachysira ocalanensis LM2 Brachysira ocalanensis LM3 Brachysira ocalanensis LM4 Brachysira ocalanensis LM5 Brachysira ocalanensis LM6 Brachysira ocalanensis LM7
Length Range
19.0-38.6 µm
Width Range
4.0-5.7 µm
Striae in 10 µm
32-34, more closely spaced towards the apices

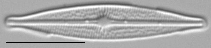
Brachysira microcephala

(Grunow) Compère 1986

Ansp 15991A 13 Na Brachysira microcephala LM5 Brachysira microcephala LM2 Brachysira microcephala LM1 Brachysira microcephala LM4 Brachysira microcephala LM3 Brachysira microcephala LM6
Length Range
17-30 µm
Width Range
3.5-7 µm
Striae in 10 µm
30-36

Also compare to

Brachysira procera

Lange-Bert. and Gerd Moser 1994

Brachysira liliana

Lange-Bert. 1994

Brachysira manfredii

Lange-Bert. 1994

Diatoms of North America relies on the financial support of our user community. We aim to build our technical content by engaging diatomists at all levels and training the next generation. We need you to reach our 2025 fundraising goal of $25,000.

If you use and appreciate DONA, make your DONAtion today.