Compare

Entomoneis alata has a lower stria density and a junction line composed of several dots and swellings of sub-equal size. 
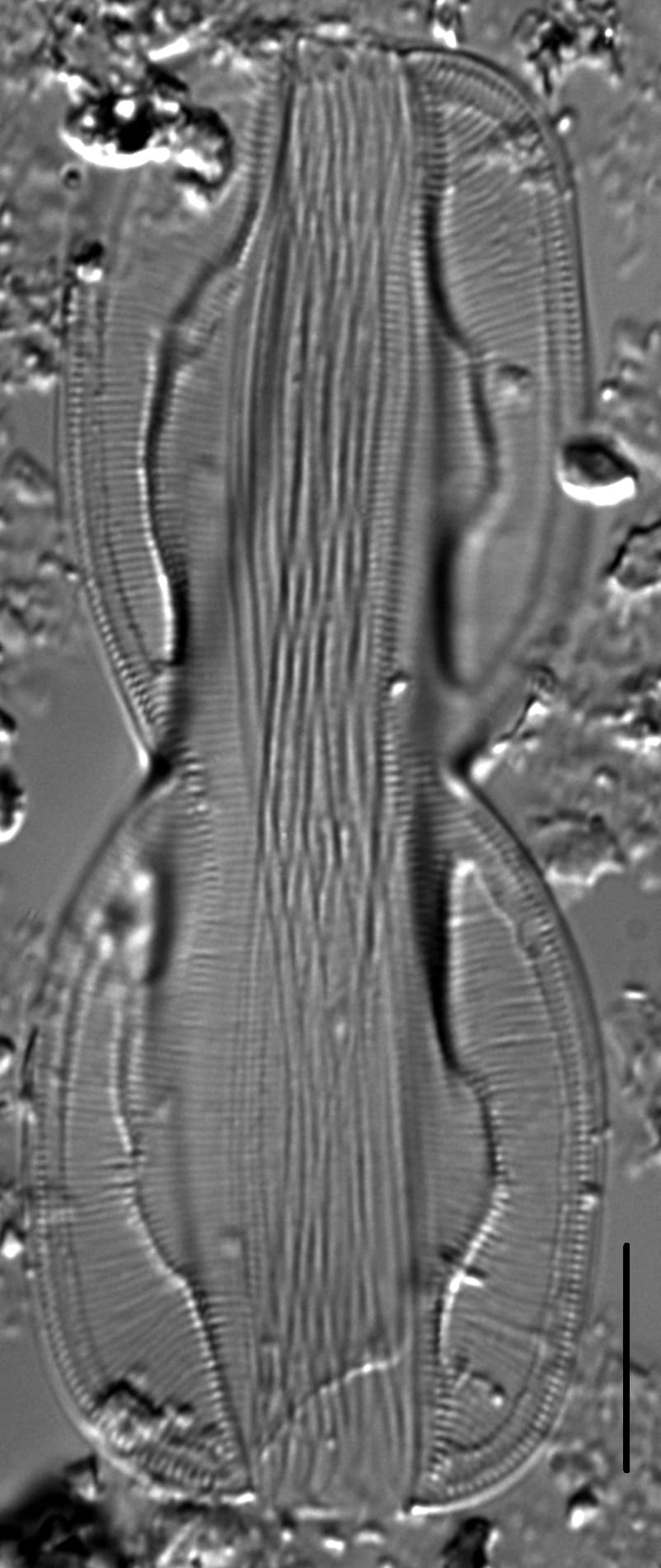
Entomoneis paludosa and E. punctulata differ in junction line shape and have a higher stria density. Striae are  undifferentiated between the valve face and the keel.

LM scalebar = 10 µm
Entomornata1 Entomornata2 Entomornata3 Entomornata4 Entomornata5 Entomornata6 Entomornata7
Length Range
71-93 µm
Width Range
23-43 (girdle view) µm
Striae in 10 µm
20-24

Entomoneis alata

(Ehrenb.) Ehrenb. 1845

Entomalata1 Entomalata2 Entomalata3 Entomalata4 Entomalata5 Entomalata6 Entomalata7
Length Range
48-129 µm
Width Range
9.7-10.1 (valve, excluding keels); 14.9-18.8 (valve, including keels); 32-42 (girdle view) µm
Striae in 10 µm
15-18

Entomoneis paludosa

(W.Sm.) Reimer 1975

Entomoneis paludosa LM1 Entomoneis paludosa LM2 Entomoneis paludosa LM3 Entomoneis paludosa LM4 Entomoneis paludosa LM5 Entomoneis paludosa LM6 Entomoneis paludosa LM7
Length Range
38-85 µm
Width Range
19-31 (girdle view) µm
Striae in 10 µm
20-26

Entomoneis punctulata

(Grunow) K.Osada and H.Kobayasi 1990

Entomoneis punctulata LM1 Entomoneis punctulata LM2 Entomoneis punctulata LM3 Entomoneis punctulata LM4 Entomoneis punctulata LM6 Entomoneis punctulata LM5
Length Range
29-45 µm
Width Range
7.0-11.4 (valve height, including keel) µm
Striae in 10 µm
36-40