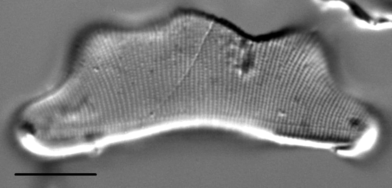
Eunotia diadema has a constant number of 6 dorsal undulations. 
Eunotia tetraodon
and Eunotia triodon have 4 and 3 dorsal undulations, respectively.

LM scalebar = 10 µm
Length Range
60-134 µm
Width Range
18-24 µm
Striae in 10 µm
9-13 in the valve center, 14-19 near the apices
Eunotiaserra1
Eunotiaserra2
Eunotiaserra3
Eunotiaserra4
Eunotiaserra5
Eunotiaserra6
Eunotiaserra7
Eunotiaserra1 Eunotiaserra2 Eunotiaserra3 Eunotiaserra4 Eunotiaserra5 Eunotiaserra6 Eunotiaserra7

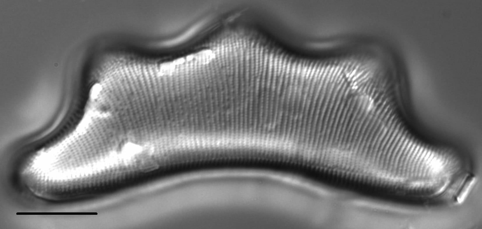
Eunotia diadema

Ehrenb. 1837

Length Range
34-65 µm
Width Range
14-26 µm
Striae in 10 µm
7-10 in the valve center, 12-17 near the apices
Eunotia diadema LM1 Eunotia diadema LM2 Eunotia diadema LM3 Eunotia diadema LM4 Eunotia diadema LM5 Eunotia diadema LM6 Eunotia diadema LM7

Eunotia tetraodon

Ehrenb. 1838

Length Range
37-51 µm
Width Range
14.2-18.8 µm
Striae in 10 µm
8-10 in the valve center, 12-15 at the apices
Eunotiatet1 Eunotiatet2 Eunotiatet3 Eunotiatet4 Eunotiatet5 Eunotiatet6

Eunotia triodon

Ehrenb. 1837

Length Range
47-74 µm
Width Range
15-23 µm
Striae in 10 µm
15-18 near valve center, 19-21 near the ends
Eunotia triodon LM5 Eunotia triodon LM6 Eunotia triodon LM4 Eunotia triodon LM1 Eunotia triodon LM7 Eunotia triodon LM2 Eunotia triodon LM3