Tryblionella scalaris has longer and wider valves, lacks a hyaline median area, has longer fibulae, and sparser striae.

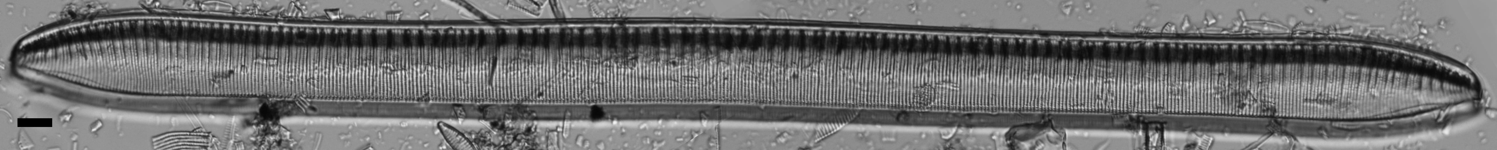
LM scalebar = 10 µm
Length Range
142-258 µm
Width Range
21-22 µm
Striae in 10 µm
17-18
Tryblionella plana var fennica LM6
Tryblionella plana var fennica LM2
Tryblionella plana var fennica LM1
Tryblionella plana var fennica LM3
Tryblionella plana var fennica LM7
Tryblionella plana var fennica LM4
Tryblionella plana var fennica LM5
Tryblionella plana var fennica LM6 Tryblionella plana var fennica LM2 Tryblionella plana var fennica LM1 Tryblionella plana var fennica LM3 Tryblionella plana var fennica LM7 Tryblionella plana var fennica LM4 Tryblionella plana var fennica LM5

Tryblionella scalaris

(Ehrenb.) Siver and P.B.Ham. 2005

Length Range
363-678 µm
Width Range
23-31 µm
Striae in 10 µm
9-11
Tryblionella scalaris ANSP GC117913 10 Tryblionella scalaris ANSP GC117913 9 Tryblionella scalaris ANSP GC117913 6 Tryblionella scalaris ANSP GC117913 1 Tryblionella scalaris ANSP GC117914 14 Tryblionella scalaris ANSP GC112902b 3b Tryblionella scalaris ANSP GC117914 13