• Category
  • Length Range
    31-57 µm
  • Width Range
    2.9-4.7 µm
  • Striae in 10 µm
    25-28

Identification

Description

This species grows exclusively on the skin of West Indian manatees.

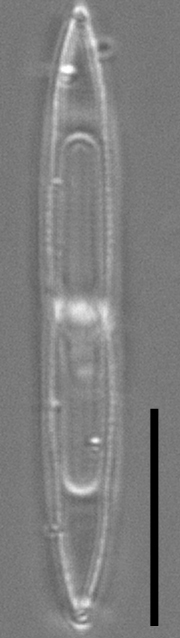
The frustules are narrow in valve view and broadly rectangular in girdle view. The cincture is composed of striated girdle bands. The valves are linear-lanceolate, with wide mantles and sub-acute apices. The raphe is straight with straight proximal raphe ends that are expanded and pore-like. The central area is circular to diamond-shaped and is intersected by a narrow, rectangular stauros. The transapical striae are slightly convergent in the middle of the valve becoming parallel toward the apices. Pseudosepta extend over approximately 1/5 of the valve length from each apex, then are present as narrow strips along the valve margin, and join with the butterfly-like structure. The cincture is composed of a minimum of four copulae of two different types. The valvocopulae are more coarsely striated and have two undulating rows of linear pores. Abvalvar bands have relatively finer striations consisting of a single row of smaller linear pores.

SEM: Externally, the valve face has uniseriate transapical striae composed of transapically elongated areolae. The valve mantle is wide and slopes steeply without any clear transition between the valve face and mantle. The distal raphe ends are obscured by overhanging siliceous flaps that bend toward the same side of the valve at both apices. Internally, the raphe lies along the center of a thick siliceous rib. Two knob-like structures are present on the rib on opposing sides of the raphe at the valve center. The butterfly-like structure connects with the marginal strips of the pseudosepta. The valvocopula is open on one end with three advalvar tabs on each side.

Autecology

This species has only been observed on the skin of West Indian manatees. It is heterotrophic and apochlorotic (lacking chlorophyll). Cells are slightly motile and co-occur with fiver other Tursiocola species known only from manatees. Attempts to culture this species have, so far, been unsuccessful.

Original Description

The frustules are narrow, broadly rectangular to constricted in the middle in girdle view with bluntly rounded ends and striated girdle bands that extend slightly beyond the valve apices (Figs. 25–29). The valves are isopolar and linear lanceolate (Figs. 30–32, 34–35) with wide mantles (Figs. 25–29), and sub-acute apices (Figs. 30–36). Length 31–57 μm, width 2.9–4.7 μm, length to width ratio 10.3–12.3. The raphe is straight and lies within a narrow axial area (Figs. 30–32, 34–35). The proximal raphe ends are straight, expanded, pore-like, and terminate within a large, circular central area (Figs. 30–32, 34–35). The central area is intersected by a narrow rectangular stauros (Figs. 30–32, 34–35) that extends down the mantle and connects with a broad hyaline area along the margin of the middle of the valves (Figs. 25–29). Also visible in girdle view when focused on the plane of the raphe is a refractive line extending from the apices to the edge of the central area (Figs. 26–29). This refractive line is likely evidence of an internal siliceous rib associated with the raphe. The transapical striae are slightly convergent in the middle of the valve becoming parallel towards the apices (Figs. 32–35), 25–28 in 10 μm. The transapical striae are shortened in the middle of the valve where they terminate before reaching the valve margin (Figs. 25–29). By focusing through the valve, pseudosepta can be seen to extend over approximately 1/5 of the valve length from each apex (Figs. 30–36) and then continue as narrow strips along the valve margin before connecting with the butterfly-like structure (Figs. 30–36). The pseudosepta and the butterfly-like structure enclose two oblong-shaped areas with slight constrictions in their middle on either side of the central area (Figs. 30, 36). The girdle is composed of two to four copulae of two different types (Figs. 25–29, 37). The advalvar copulae (i.e., valvocopulae), present in all frustules, are more coarsely striated and have two undulating rows of linear pores (Figs. 25–29). When present, abvalvar bands have relatively finer striations consisting of a single row of smaller linear pores (Figs. 26, 28–29, 37). The row of pores on the abvalvar copulae curve toward the advalvar copulae (Figs. 26, 28–29, 37).

SEM morphology:—Externally, the valve face has uniseriate transapical striae composed of fine slit-like transapically elongated areolae of varying length (Figs. 38–41). The areolae are arranged in wavy longitudinal rows, approximately 17 areolae in 10 μm along the transapical axis (Figs. 38–41, 44). The valve mantle is wide and slopes steeply without any clear transition between the valve face and mantle (Figs. 39–41, 44–45). The mantle margin is wide, heavily silicified, undulate, and expanded at the apices into spur-like extensions that expand outward from the apices and abvalvarly towards the copulae (Figs. 41, 44–45). The straight raphe lies within a narrow axial area (Figs. 38–40). The central area is large, diamond-shaped, and intersected by a narrow rectangular stauros that extends to the valve margins (Figs. 38–39, 44–45). The proximal raphe ends are straight, expanded, pore-like, and terminate slightly within the hyaline central area but before the rectangular stauros (Figs. 38–39). The distal raphe ends are apparently bifurcated and obscured by overhanging siliceous flaps that bend towards the same side of the valve at both apices (Fig. 40).

Internally, the pseudosepta extend from the apices as siliceous plates for approximately one-fifth of the valve length, which then continue as narrow strips that run along the valve margins before widening into very broad concave “wings” of the butterfly-like structure in the central area (Fig. 42). The narrow strips of the pseudosepta briefly widen towards their middle (Fig. 42). The pseudosepta and the butterfly-like structure enclose two oblong-shaped voids on either side of the central area (Fig. 42). The oblong-shaped voids are constricted in the middle (Fig. 42). Internally, the raphe lies along the center of a strong siliceous rib (Figs. 42–43). Two knob-like structures are present on the rib on opposing sides of the raphe at the valve center (Fig. 43). The center of the butterfly-like structure is apically elongated and oval (Fig. 43). The wings of the butterfly-like structure are very broad, concave, and connect gradually with the marginal strips of the pseudosepta (Fig. 43).

The copulae are differentiated into two types with wide advalvar copulae (i.e., valvocopulae) possessing two rows of transapically elongated linear pores, 22–26 in 10 μm, and thinner abvalvar copulae possessing a single row of finer transapically elongated pores, 27–32 in 10 μm, (Figs. 44–45). The valvocopula is open on one end (arrow in Fig. 46) with three advalvar tabs on each side. These tabs underlie the valve mantle (Figs. 44–45). One tab is located in the middle and the other two are located before the open and closed ends of the copula (Fig. 46).

  • Author
    Frankovich and M.J. Sullivan 2015
  • Length Range
    31-57 µm
  • Width
    2.9-4.7 µm
  • Striae in 10µm
    25-28

Original Images

Tursiocola varicopulifera orig illus1
Tursiocola varicopulifera orig illus2
Tursiocola varicopulifera orig illus3
Tursiocola varicopulifera orig desc
Original text and images reproduced with permission by Magnolia Press.

Cite This Page

Frankovich, T. (2026). Tursiocola varicopulifera. In Diatoms of North America. Retrieved March 09, 2026, from https://diatoms.org/species/351125/tursiocola-varicopulifera

Responses

The 15 response plots show an environmental variable (x axis) against the relative abundance (y axis) of Tursiocola varicopulifera from all the stream reaches where it was present. Note that the relative abundance scale is the same on each plot. Explanation of each environmental variable and units are as follows:

ELEVATION = stream reach elevation (meters)
STRAHLER = distribution plot of the Strahler Stream Order
SLOPE = stream reach gradient (degrees)
W1_HALL = an index that is a measure of streamside (riparian) human activity that ranges from 0 - 10, with a value of 0 indicating of minimal disturbance to a value of 10 indicating severe disturbance.
PHSTVL = pH measured in a sealed syringe sample (pH units)
log_COND = log concentration of specific conductivity (µS/cm)
log_PTL = log concentration of total phosphorus (µg/L)
log_NO3 = log concentration of nitrate (µeq/L)
log_DOC = log concentration of dissolved organic carbon (mg/L)
log_SIO2 = log concentration of silicon (mg/L)
log_NA = log concentration of sodium (µeq/L)
log_HCO3 = log concentration of the bicarbonate ion (µeq/L)
EMBED = percent of the stream substrate that is embedded by sand and fine sediment
log_TURBIDITY = log of turbidity, a measure of cloudiness of water, in nephelometric turbidity units (NTU).
DISTOT = an index of total human disturbance in the watershed that ranges from 1 - 100, with a value of 0 indicating of minimal disturbance to a value of 100 indicating severe disturbance.