• Category
  • Length Range
    18.0-25.6 µm
  • Width Range
    2.7-3.8 µm
  • Striae in 10 µm
    15-17 in the center valve

Identification

Description

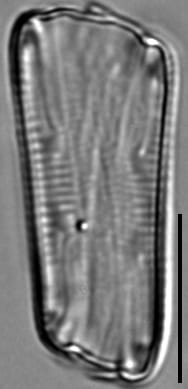
Frustules in girdle view appear rhomboid. Valves are more or less asymmetric to the apical and transapical axes, with one apex wider than the other. The ventral margin is straight to weakly concave, and the dorsal margin is convex. The apices are rounded. The helictoglossae lie close to or are a short distance from the apices. The distal raphe end curves a short distance onto the valve face. Striae are evenly spaced becoming slightly denser near the valve apices.

Some specimens have been observed with one apical rimoportula (Furey et al. 2011, pl 31 fig. 8) and in other specimens, a rimoportula is absent (Siver et al. 2005 pl 28, fig. 1,3,4).

Autecology

Eunotia rhomboidea has been found in streams, including as epilithon and epiphytic on bryophytes.

Original Description

  1. Eunotia rhomboidea nov. spec. Zellen in Gürtelbandansicht rhomboidisch. Schalen mit geradem bis wenig konkavem Ventral- und nur schwach konvexem Dorsalrand und stumpf gerundeten Enden, oft unsymmetrisch, etwa 15-20 µ lang und 2-4 µ breit. Endknoten sehr klein, Rapheenden in der Valvarfläche kaum sichtbar. Transapikalstreifen etwa 16-18 in 10 µ, an den Enden etwas dichter als in der Mitte, aber sorest ziemlich regelm Big gestellt. Taf. XXXVI, Fig. 34-41. Taf. XXXIV, Fig. 28. Sehr häufig im Litoral des Pinnsees, vereinzelt auch im Grundlosen Kolk bei Min . Unterscheidet sich von ähnlichen kleinen Arten, wie Eunotia tenella, E. exigua u. a., insbesondere durch die schiefwinklige Gürtelbandansicht, die beim ersten Anblick als Anomalie oder auch als Präparationsprodukt erscheinen 'nag. Es handelt sich hier jedoch um eine konstante Eigentümlichkeit, die die sowohl zeitlich als örtlich getrennten Individuen auszeichnet. Ich gebe auf Taf. XXXIV, Fig. 28, eine Photographic aus dem litoralen Aufwuchs im Pinnsee, auf der neben einzelnen Schalenansichten zahlreiche Zellen in Gürtelbandlage erkennbar sind, zum Teil in kurzen Bändern, die naturgemäß ebenfalls schief orientiert sind.
  • Author
    Hust. 1950
  • Length Range
    15-20 µm
  • Width
    2-4 µm
  • Striae in 10µm
    16-18

Original Images

Eunotia rhomboidea orig illus
Eunotia Rhomboidea  Orig Descr

Cite This Page

Furey, P. (2011). Eunotia rhomboidea. In Diatoms of North America. Retrieved December 09, 2025, from https://diatoms.org/species/47898/eunotia_rhomboidea

Responses

The 15 response plots show an environmental variable (x axis) against the relative abundance (y axis) of Eunotia rhomboidea from all the stream reaches where it was present. Note that the relative abundance scale is the same on each plot. Explanation of each environmental variable and units are as follows:

ELEVATION = stream reach elevation (meters)
STRAHLER = distribution plot of the Strahler Stream Order
SLOPE = stream reach gradient (degrees)
W1_HALL = an index that is a measure of streamside (riparian) human activity that ranges from 0 - 10, with a value of 0 indicating of minimal disturbance to a value of 10 indicating severe disturbance.
PHSTVL = pH measured in a sealed syringe sample (pH units)
log_COND = log concentration of specific conductivity (µS/cm)
log_PTL = log concentration of total phosphorus (µg/L)
log_NO3 = log concentration of nitrate (µeq/L)
log_DOC = log concentration of dissolved organic carbon (mg/L)
log_SIO2 = log concentration of silicon (mg/L)
log_NA = log concentration of sodium (µeq/L)
log_HCO3 = log concentration of the bicarbonate ion (µeq/L)
EMBED = percent of the stream substrate that is embedded by sand and fine sediment
log_TURBIDITY = log of turbidity, a measure of cloudiness of water, in nephelometric turbidity units (NTU).
DISTOT = an index of total human disturbance in the watershed that ranges from 1 - 100, with a value of 0 indicating of minimal disturbance to a value of 100 indicating severe disturbance.

Diatoms of North America relies on the financial support of our user community. We aim to build our technical content by engaging diatomists at all levels and training the next generation. We need you to reach our 2025 fundraising goal of $25,000.

If you use and appreciate DONA, make your DONAtion today.